地磅接線盒剖析
1.前言
接線盒是大型地磅的主要配件。大型地磅的受力元件,往往是由多個稱重傳感器組成。 諸多稱重傳感器激勵電壓的分配、信號匯總、各 類偏載誤差的調整等,全靠接線盒來完成。因此, 接線盒在稱重系統中有著舉足輕重的地位。
本文剖析的是KL-J8A型九孔八線“防浪涌接 線盒”該接線盒是目前稱重系統中較為先進的產 品。它適用于安裝8只及8只以下稱重傳感器組 合的地磅系統。筆者對照實物將接線盒的工作 原理繪制成圖,并對其中的主要元件進行了測試。 通過安裝在GCS- 100t軌道衡上進行實際運用,覺 得該接線盒設計構思及元件的布局比較合理,接 線和調整都很方便。接線盒元件安裝在一塊160x85m/m雙面敷銅PCB印刷板上,元件焊接質量牢 固可靠。傳感器的接線彩用DT-103型300V/10A 組合端子。并在板上留有焊接孔,極大的方便了 用戶。接線盒殼體采用1m/m厚不銹鋼板制造,配 尼龍線嘴有利于防腐,同時也增強了進線的絕緣 強度。設計者考慮稱重傳感器及儀表均屬靜電敏 感性元器件。因此,接線盒增設了 “防浪涌”過 壓保護電路,有效的防止了感應雷和浪涌信號的 侵害,增強了系統工作的可靠性,此型接線盒值 得推廣應用。
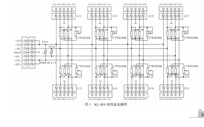
2.工作原理見圖(1)

2.1 “防浪涌”過壓保護電路 接線盒CON1端的激勵電源± SEN及總信號 線± SIG,都分別接有壓敏電阻TUS1和TUS2。在
這里由壓敏電阻組成“防浪涌”過壓保護電路。 壓敏電阻是一種半導體器件,平時壓敏電阻兩端 呈高阻絕緣狀態。一旦壓敏電阻兩端的電壓大于 或等于其工作電壓時,它立刻呈低阻短路狀態, 可瞬時放電,保護后級電路及元件免遭過壓擊穿 的危害。用壓敏電阻做過壓保護,電路簡潔、工 作可靠,尤其對靜電和感應雷的侵入防治效果較 為理想。
2.2偏載誤差調整電路
地磅偏載誤差的調整,關系到地磅的準確 度和各傳感器采集信號的一致性。偏載誤差的調 整方法較多,本接線盒采用的是輸出電壓調節式。 每個傳感器的輸出端都并有GTWR200K微調。當 微調阻值下降時衰減了傳感器的輸出信號,反之 則可提高傳感器的信號輸出。微調串有10KΩ的 限位電阻,目的是防止微調電阻降至極限時造成 信號短路。為便于標定,接線盒在啟用前應將8 只微調全部調中。在檢定時通過微調進行偏載誤 差調整,平時微調不可以隨便擰動,以免增大偏 載誤差。
2.3信號匯總電路
稱重傳感器輸出的信號比較弱,屬毫伏級模 擬電壓信號。往往一個d值的變化只有幾微伏。 這微弱的信號,只有通過儀表放大處理后才能觀 察到。每只傳感器的輸出線,都串有2.5KΩ隔離 電阻,再匯入信號總線。這樣有利于提高信號電 壓,減少對相鄰傳感器的影響。這種接法對測試 每只傳感器的在路信號,也非常方便。
經實測,壓敏電阻TUS1和TUS2的工作電壓 為18V。每只微調開路最大值為200KQ,阻值變 化特性曲線為直線式,有效調節量為20圈。微調 在路測試,最大阻值為38.4KΩ,全部調中時為 24.5KD,微調在路阻值變化特性曲線呈對數式。 微調偏載誤差的調整,會引起總信號端及其它微 調在路阻值的變化見表1。這種變化對稱量系 統的正常工作沒有什么影響。
3.接線盒的不足之處
3.1接線盒外殼缺少接地保護線樁 雖然地磅的主體都有接地保護,但不等于 傳感器的屏蔽線已接地。原因很簡單,各種型號 的傳感器,彈性體與屏蔽線之間都是絕緣的。屏蔽線未接地本身就是一個隱患。屏蔽線的接地要 靠接線盒來完成。屏蔽線單靠與系統接殼是不夠 的。換句話說,接殼代替不了接地。在電路中接 殼與接地根本就是兩個概念,不能混淆。試想稱 重系統一旦遭受雷擊或儀表漏電,接線盒殼體帶 電,傳感器與人身的安全將受到威脅。因此,接 線盒必須要有接地保護。即使接線盒與系統出現 重復性接地,那也是有利無弊的。

3.2接線盒尼龍線嘴緊線強度略差
該線嘴適用電纜外徑為中5.0?7.5mm,旋緊線 嘴應鎖住電纜,防止抽簽。實際運用效果不十分 理想,外徑直徑6mm以下的電纜根本鎖不住。目前 傳感器電纜外徑普遍都是直徑 5mm的,鎖不住電纜 的同時也影響了進線嘴的密封。
以上剖析是筆者個人見解,還有諸多不是之 處,僅供同仁及廠商參考。

