淺談電子秤秤體
本文從8個方面對汽車衡、軌道衡、生產線鋼卷秤等冶金企業貿易結算用大型電子秤秤體進行了分析論述,供同行們參考。
秤體是電子秤的主要部件,要求它能將承受的重量準確地傳遞給稱重傳感器。在此,我粗淺談一下 對電子秤秤體的認識。
1.秤體具有足夠的剛度、強度
一般要求秤體剛性指標(1/f) : 1/1200 ~ 1/2000; 強度要求:使用中不允許開焊、斷裂,安全系數為 2.5。
2.秤體具有自動復位性
當采用橋式傳感器時,秤體的自動復位性體現 在鋼球上;當采用柱式傳感器時’秤體的自動復位性 體現在傳感器端部的圓弧面上,當采用懸臂梁傳感 器時,秤體的自動復位性體現在“不倒翁”的圓弧面 上。所以,秤體限位間隙的大小,要在自動復位性范 圍以內。
3.秤體具有熱膨脹性
當溫度為20 ~ 1001時,碳鋼的線膨脹系數 a=10.6 x 10-6 ~ 12.2 x 10-6 我們取中間值,a=11.4 x 10-6由此可知,熱膨脹只發生在我國的夏季。根據 公式:
秤體熱膨脹長度=線膨脹系數x秤體長度x (當時溫度-20)
所以,要根據氣候溫度不同,來調整限位間隙。
4.秤體受力分析
四支點電子秤是電子秤中最常見的結構,特別是在 大型電子秤中尤為常見。由力學觀點看,只要物體的 重心處于支持該物體三支點之內,物體就處于穩定 狀態。根據力學原理,四支點物體處于“靜不定”狀 態,在不知道一些附加條件下’是不能計算出四支點 在“平衡”狀態下受力的大小。
5.秤體要很"軟”地傳力 對冶金企業大型電子秤來說’秤體一般是型鋼、鋼 板焊接或螺栓連接的箱形框架半剛性結構。該結構 中,要消除影響稱量物重力傳遞的有害變形(如:翹 起、拗勁)和內應力。要求秤體能很“軟”地將承受的 重量準確地傳遞給稱重傳感器。
6.稱重過程遵循能量守恒定律 以材料力學的觀點’變形固體處于彈性階段時, 可看成為彈性體。彈性體在外力作用下產生變形時, 其內部將儲存的能量,外力撤除時,變形消失,能量 也同時釋放出來。伴隨彈性變形而儲存的能量稱之 為變形能。
稱重過程中’能量守恒定律方程為:
稱量物的重力勢能=秤體變形能+傳感器彈 性應變片的變形能
準確的稱重要求是秤體變形能等于零。即秤體 有足夠的強度、剛度,保證在稱重過程中不變形。所 以,一定要調整好傳感器受力,不允許傳感器有懸空 現象。
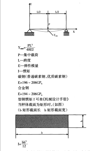
7.秤體的最大撓度方程
秤體產生的變形主要是彎曲變形,所以,我們可 以把秤體看作材料力學中的簡支梁(如圖),產生的 最大撓度方程為:

7.1各類鋼材的彈性模量E變化不大,減少撓 曲變形,采用高強度優質鋼是不經濟的。
7.2撓度Y與跨度L的三次方L3成正比。所 以在可能條件下,盡量減少梁的跨度L是提高其抗 彎剛度的最有效措施。
7.3當秤體截面為矩形時,撓度Y與秤臺板厚 度h的三次方h3成反比,所以,在可能的條件下,盡 量增大秤臺板的厚度h是提高其抗彎剛度的最有效 措施。
7.4當秤體截面為矩形時,采取增加筋板的辦 法,增大慣矩I,來減少秤體的撓度Y,也是一種行之 有效的辦法。如圖這種方法,在進口生產線鋼卷秤秤體改造時經 常使用。

8.秤體限位裝置安裝位置
秤體的縱、橫向限位裝置,一般應安裝在秤體上 半部。

