基于厚膜力傳感器的電子秤設計
介紹一種基于厚膜力傳感器和利用AT89C52單片機等器件設計的便攜式電子秤。該電子秤能對3kg量程范圍內的物 體進行稱量,能實現去皮、清零復位、計價、超重報警等功能。
我們選用厚膜力傳感器作為稱重傳感器,輔以16 X2LCM,薄膜鍵盤等外圍器件,設計了 一臺電子秤。 系統設計總體框圖如圖1所示。

由厚膜電阻應變梁式傳感器感受被測物體的質 量,通過電橋輸出電壓信號,通過放大電路將輸出信號 放大,而后送入A D轉換單元進行模數轉換,將轉換 后的數字信號送給單片機,單片機接收數據后,對數據 進行處理,將其轉換成為質量信息送LCM液晶顯示模 塊進行顯示。單片機同時也可對所稱物體價格進行計 算,因此單片機不斷查尋鍵盤是否有輸入,如果有單價 輸入信號,則將輸入單價記錄并顯示,而且將單價與質 量數值進行乘法計算,得到貨物的價格;如果是功能鍵 輸入,如去皮,清零復位等則執行相應的功能。
1.模擬電路設計
本設計選擇應變式厚膜力傳感器,它能從根本上 克服傳統應變式力傳感器用膠粘貼應變片(計)引起 的蠕變和漂移。該傳感器結構簡單性價比高。
由于傳感器輸出的模擬信號比較微弱,必須通過 一個模擬放大器對其進行放大,才能滿足A D轉換器 對輸入信號電平的要求,因此選用由三運放構成的具 有高輸入阻抗,高共模抑制比的差動放大器。
電路如圖2所示。要使電路滿足平衡,則要求R=R 2、R 3 =R 4、R 5 =R 6因此電阻選用高精度的金屬膜 電阻。此外因每個運放的性能不可能完成一致,在A1 和A2增設了調零電位器Vm和Vm,這在實際的應用 中是非常有用的。

2.單片機電路設計
2.1數模轉換電路與單片機的接口電路
AD轉換器選用ADC0804當CS =0時,允許進 行A D轉換。由低跳高時A /D轉換開始,是 轉換結束信號輸出端,輸出跳轉為低電平表示本次轉 換已經完成,當"RD為低電平時,輸出數據鎖存器DB0 ~DB7各端出現8位并行二進制數碼。將此數值取進 單片機,A D轉換即告完成。
2.2 LCM與單片機的接口電路
選用5X7點陣圖形來顯示字符的2行16個字的 DM- 162液晶模塊,下面對編程方法作一簡單介紹。
DM 162液晶模塊內部的字符發生存儲器 (CGROM )已經存儲了 160個不同的點陣字符圖形,這 些字符有:阿拉伯數字、英文字母的大小寫、常用的符 號和日文片假名等,每一個字符都有一個固定的代碼, 比如大寫的英文字母“A ”的代碼是01000001B (41H)顯示時模塊把地址41H中的點陣字符圖形顯 示出來,我們就能看到字母“A ”
DM 162液晶模塊內部的控制器共有11條控制指 令,它的讀寫操作、屏幕和光標的操作都是通過指令 編程來實現的。液晶顯示模塊是一個慢顯示器件,所 以在執行每條指令之前一定要確認模塊的忙標志為低 電平(表示不忙),否則此指令失效。要顯示字符時 要先輸入顯示字符地址,也就是告訴模塊在哪里顯示 字符。
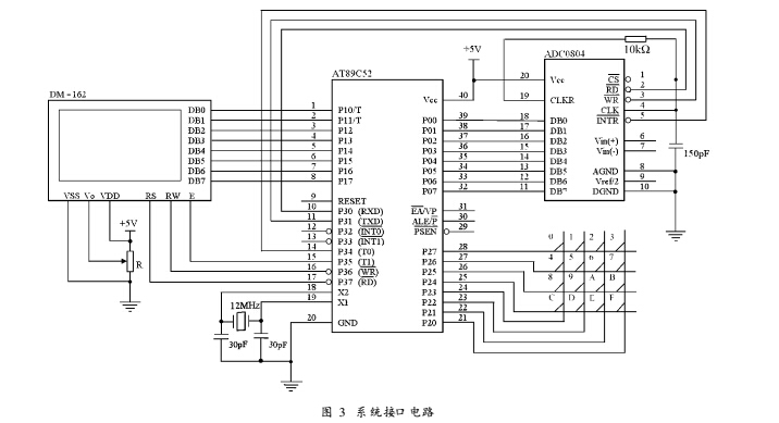
DM- 162液晶顯示模塊可以和單片機AT89C52直接接口,如圖3所示。

DM 162液晶模塊的管腳定義為:VSS為電源地; VDD接+5V電源;Vo為液晶顯示器對比度調整端,接 電源正時對比度最弱,接電源地時對比度最高,對比度 過高時會產生“鬼影”使用時可以通過一個10k的電 位器調整對比度;RS為寄存器選擇,高電平時選擇數 據寄存器、低電平時選擇指令寄存器;RW為讀瀉信 號線,高電平時進行讀操作,低電平時進行寫操作;當 RS和RW共同為低電平時可以寫入指令或者顯示地 址,當RS為低電平RW為高電平時可以讀忙信號,當 RS為高電平RW為低電平時可以寫入數據;E端為使 能端,當E端由高電平跳變成低電平時,液晶模塊執 行命令;DB0 ~DB7為8位雙向數據線。
2.3薄膜鍵盤與單片機的接口電路
使用的4X4鍵盤接口共有8根線,4根行線,4根 列線,行線和列線在交叉處則形成一個鍵位。假設將 0號鍵按下時,則第1根行線和第5根列線導通,據此 可確定鍵值。
2.4系統接口電路
傳感器的輸出信號經過放大送入ADC0804的V?。AD腦將模擬電壓信號轉換成為數字信號輸出。ADC0804的8位數據線分別接至89C52的P0 0 ~PQ7控制信號管腳INTR WR "RD分別接89C52的 P3 4 P3 1 P3 0。AT89C52 的 P2 口 接薄膜鍵盤。 LCM液晶顯示模塊的8位數據線接89C52的P1 口, 三根控制信號線RS RW E接P3 7 P3 6 P3.5此外 還可以在P3 口添加一個蜂鳴器,用于按鍵音響控制和 超重報警。
3.結論
以單片機技術為核心的電子秤,集傳感器技術、微 計算機技術、數字顯示技術于一體由于采用了新穎的 厚膜力傳感器,LCM液晶顯示模塊,薄膜鍵盤等設計, 使得該電子秤反應靈敏,準確度高,顯示直觀,便于使 用。除了稱量質量外,該電于秤還具有清零、復位、去 皮、單價輸入及價格計算等功能。另外,稍加擴展,該 電子秤還可與其他生產質量管理系統相連接,實現數 據交換記錄,分析等功能,具有推廣應用價值。

